| 分类 | 金属零部件 |
| 品名 | 管継手 |
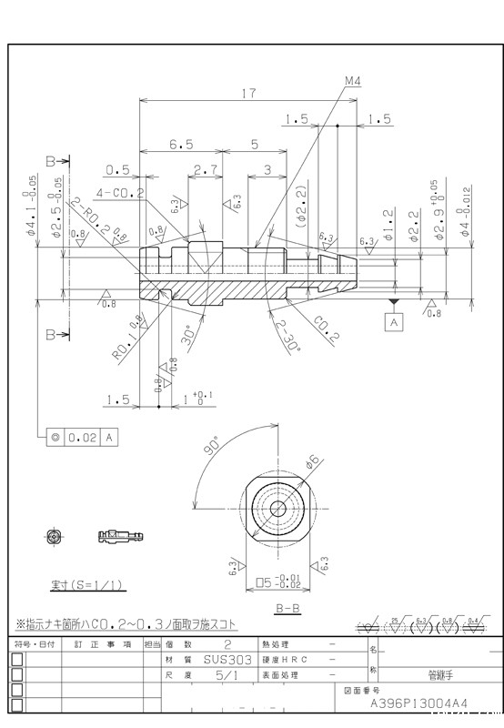
| 材质 | SUS303 |
| 尺寸 | 17×φ4.1 |
| 热处理 | 无 |
| 表面处理 | 无 |

| 加工精度 | 轴外径公差-0.012~0,同心度0.02 |
| 表面粗糙度 | Ra0.8 |
| 交货时间 | 7天 |
| 加工应用范围 | 机械设备 |
| 加工工艺 | 车床加工⇒铣床加工 |
| 为什么选择hth电竞赞助 | 1. ISO9001认证企业,拥有四家自营生产据点,生产设备齐全,可对应铣床加工,磨床加工,CNC加工,线切割加工,放电加工,车床加工,光学研磨加工等多种加工。24小时对应。 2. 拥有20位10年以上经验的工程师傅,提供技术咨询、预审图档、结构分析、风险评估、建设性设计建议、成本分析等服务。
3. 从原材料到成品,每个工序完成后都会检测,千分尺,高度仪,二次元检测仪,三次元检测仪,投影仪等检测工具齐全,工厂检测+hth电竞赞助品检检测双重检测体系,出货合格率达到99% !
4.多元化定制加工, 材料采购+加工生产+表面处理+检测包装,从加工到出货一系列定制服务,省时省心!
5.客服一对一 --24小时在线,2小时内在线报价;全程跟踪生产进度及物流信息,随时掌握最新进展。
|