首页
技术支持
hth电竞app官网登录入口
检测设备
检测设备说明
设备介绍
专业的定制加工设备说明
hth电竞app入口
hth电竞资讯
关于我们
华体会在线注册
快速了解
hth电竞app下载手机版
|
hth电竞app下载
HTH电竞
|
hth电竞app下载
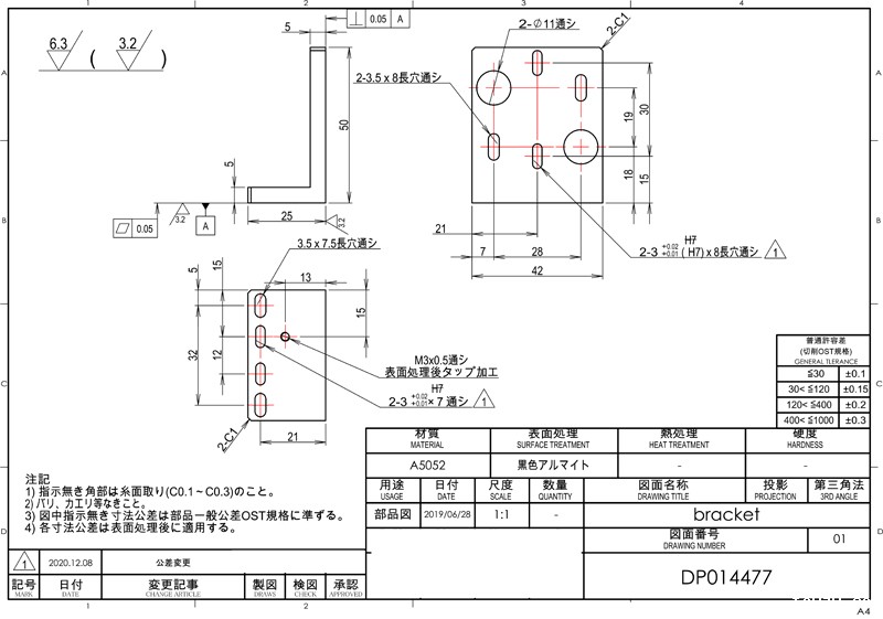
支架
金属零部件
案例参数
分类
金属零部件
品名
支架
材质
A5052
尺寸
42×50×25
热处理
无
表面处理
黑色阳极
案例图纸
案例详情
加工精度
精孔+0.01~+0.02,平行度0.05,平面度0.05
面粗度
Ra3.2
交货时间
4天
加工应用范围
机械设备
加工工艺
CNC加工
铝材表面处理种类:
白色阳极,黑色阳极,白色无光泽阳极,黑色无光泽阳极等
其他案例
金属零部件
2024-03-06
支架
hth电竞app下载
注册流程说明
询价流程说明
买家常见问题FAQ
hth电竞app下载
入驻流程说明
接单流程说明
卖家常见问题FAQ
服务政策
投诉建议
售后政策
付款政策
配送政策
hth电竞app登录入口
hth电竞app官网登录入口
设备介绍
检测设备
hth电竞app入口
客服热线
(0519)88061001
18068758017
邮箱:info@jkh-iet.com
地址:江苏省武进区牛塘镇虹西路 186 号
常州武进创智云谷产业园 20 号楼
服务协议
知识产权声明
Copyright © 2015-2023 hth电竞赞助(常州)智能装备科技有限公司
BMC团状模塑料
屏蔽室厂家
涂布机生产厂家
防静电集装袋
脉动真空干燥机
卧式搅拌机
贴片蜂鸣器
map