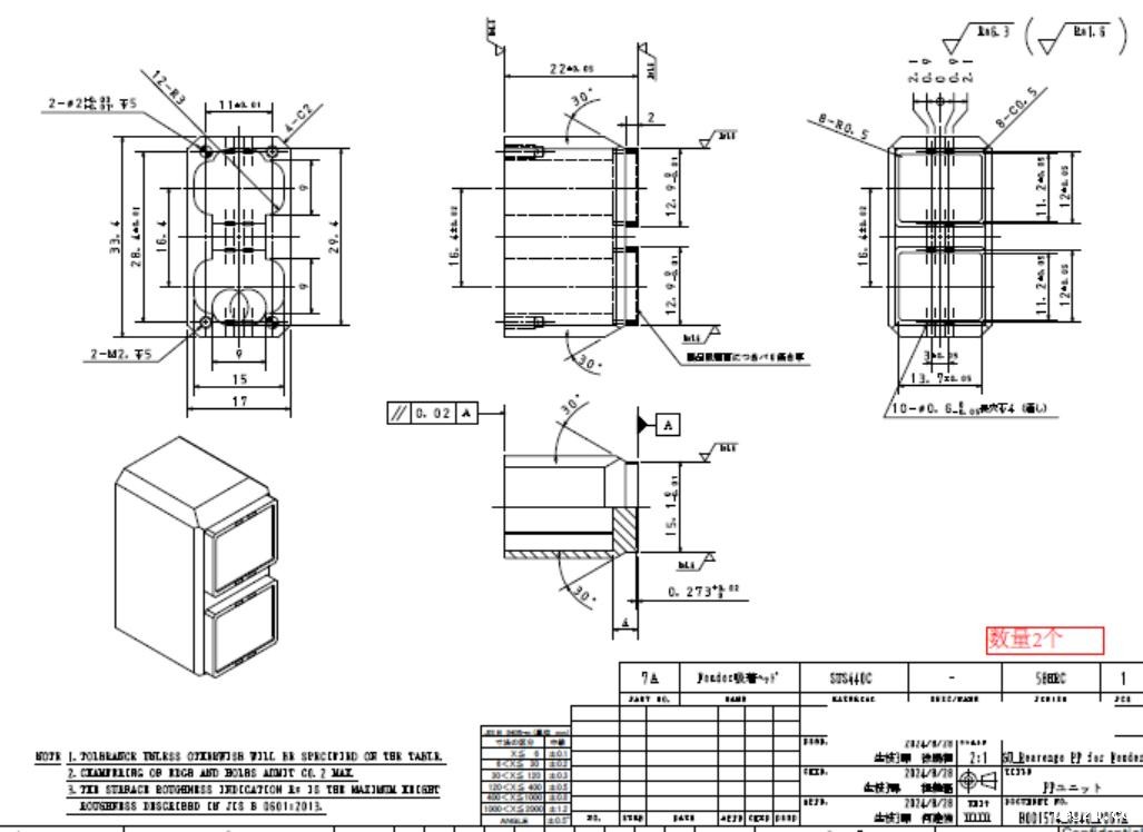
| 分类 | 金属零部件 |
| 品名 | Fender 吸着块 |
| 材质 | SUS440C |
| 尺寸 | 33.4×22×17 |
| 热处理 | HRC58 |
| 表面处理 | 无 |

| 加工精度 | 外形公差-0.01~0 |
| 表面粗糙度 | Ra1.6 |
| 交货时间 | 10天 |
| 加工应用范围 | 机械设备 |
| 加工工艺 | CNC加工 |
| 材料选择 | SUS440C进行热处理的原因主要是为了改善其力学性能和耐腐蚀性,以满足不同应用场合的需求。具体来说,热处理可以使SUS440C不锈钢达到以下效果: 1. 提高硬度和耐磨性:SUS440C是一种高碳高铬马氏体不锈钢,通过热处理,特别是淬火和回火过程,可以显著提高其硬度,硬度水平可以达到HRC58以上。高硬度使得SUS440C具有出色的耐磨性,适合制造在腐蚀条件下工作同时又要求高负荷、高耐磨性的零件和模具。 2. 优化耐腐蚀性:虽然SUS440C本身已经具有较高的耐腐蚀性,但热处理可以进一步优化其耐腐蚀性。通过适当的热处理工艺,可以形成更致密的氧化膜,抵抗腐蚀介质的侵蚀。 3. 提高材料的稳定性和可靠性:热处理可以消除SUS440C在加工和制造过程中产生的内应力和组织缺陷,提高材料的稳定性和可靠性。这对于保证零部件的长期使用性能和安全性具有重要意义。 4. 实现特定的力学性能:通过调整热处理的参数,如加热温度、保温时间和冷却速度等,可以实现SUS440C特定的力学性能要求,如强度、韧性和硬度等。这有助于满足不同应用场合对材料性能的需求。 |